For UK enquiries please visit polymax.co.uk or contact us on 01420 474123 | Email sales@polymax.co.uk
+(31) 70 2500606
€ EUR
€ Euro (EUR)
Change currency:
  • £ Brits pond sterling (GBP)
  • Rs Indiase rupee (INR)
  • zł Poolse zloty (PLN)
  • US$ Amerikaanse dollar (USD)

sales@oringen.eu
You have no items in your shopping cart.
0
Cart
BLACK FRIDAY! UP TO 30% OFF SELECTED ITEMS!
EXCLUDING DELIVERY | VALID UNTIL 07/12/2025

F-type Demper Man/Vrouw

Kan niet online besteld worden wel via het sales team. Voor meer informatie kan u contact opnemen voor een vrijblijvend advies

 +(31) 70 2500606
 sales@polymax.co.uk

Schrijf de eerste review van dit product

Snel overzicht

F-Type dempers zijn eenvoudige trillingdempers, geschikt voor toepassingen waarbij hoge eisen worden gesteld aan trillingisolatie. Deze demper is spoelvormig zodat de spanning tussen het metaal en het rubber word verminderd.
F-type Mounts Male/Female
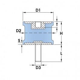
Article No. D1
(mm)
D2
(mm)
H
(mm)
D3 L
(mm)
T
(mm)
S
(mm)
Max Lading
45ShA (Kg)
Max Lading
60ShA (Kg)
BF2030M6 20.0015.0030.00M618.006.0025.2010.20
BF2040M6 20.0015.0040.00M618.006.0024.007.50
BF2522M6 25.0022.0022.00M618.006.00214.0027.00
BF4028M8 40.0035.0028.00M823.008.00227.0052.00
BF4625M10 46.0040.0025.00M1028.0010.00271.00140.00
BF5030M10 50.0040.0030.00M1028.0010.00260.00119.00
BF7540M12 75.0070.0040.00M1237.0012.003141.00279.00
BF10075M16 100.0095.0075.00M1641.0016.003226.00447.00

Details

F-Type dempers zijn eenvoudige trillingdempers, geschikt voor toepassingen waarbij hoge eisen worden gesteld aan trillingisolatie. F-Type dempers zijn eenvoudige trillingdempers, geschikt voor toepassingen waarbij hoge eisen worden gesteld aan trillingisolatie. Deze demper is spoelvormig zodat de spanning tussen het metaal en het rubber word verminderd.

    Voorbeelden Lange levensduur

    Toepassingen: Motorradiatoren, Airconditioning Waaier motoren,Draagbare generatoren

Extra informatie

Colour Zwart
Materiaal NR
Maximale Lading in Compressie (Kg) Nee
Maximale Lading in Compressie 45Sha (Kg) Nee
Maximale Scheerbeurt Lading (Kg) Nee
Maximum Shear Load 45ShA (Kg) Nee
Maximale Afbuiging (mm) Nee
Hardheid (Shore A) Nee
Breedte (mm) Nee
Hoogte (mm) Nee
*De afmetingen kunnen enigszins variëren en zijn tot toleranties gemaakt.

Further Information (File Downloads)

Cookie Notice.
This websites use cookies. By continuing to browse the site you are agreeing to our use of cookies.